Apollon-Q T/R/TR Operating Instructions
Are you looking for the Apollon-Q T/R/TR instruction manual?
Here you will find the operating instructions for the Apollon-Q T/R/TR

Symbols and explanations
📢 Warnings and important information about potential hazards or damage
💡 Important information required for smooth operation of the devices
Safety instructions
📢 Please note:
- Observe the safety instructions and installation instructions in the manual and the installation list.
- Ensure that the installation environment complies with the prescribed application area guidelines. Observe the temperature and other limit values at all times.
- The device may only be used in the areas specified in the technical specifications.
- The device may only be used for the intended purpose described.
- Safety and functionality can no longer be guaranteed if the device is modified or extended.
📢 If the device is installed incorrectly:
- It may not function properly.
- It could be permanently damaged.
- It could pose a risk of injury.
📢 Please note:
- Improper handling such as improper mechanical stress, e.g. dropping the device, can result in damage.
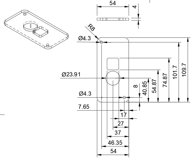
Technical drawing.png?width=670&height=396&name=Untitled%20(37).png)
💡 Please note for the further description:
The front is the side on which the logo and central opening for the sensor are located.
The rear or back is the side on which the lettering (company address etc.) can be seen.
Recommended mounting methods
| Type | Recommended accessories | Article number Sentinum | Producers |
|
Screws (wall)
|
DIN912 Cylinder head screws or wood screws with plug depending on material Permissible sizes: - DIN screws M4 or M5 - wood screws 4mm to 5 mm |
- | - |
| Magnet |
Nedoym Magnet M4 Internal Thread
|
- | - |
|
glue
|
Double-sided adhesive tape
|
- | - |
Mounting accessories
|
Art. Number
|
Recommended accessories
|
|---|---|
|
Z-APOQ-MAG-NEO
|
Magnet-Set APOQ Ferrit
|
|
Z-APOQ-MAG-FER
|
Magnet-Set APOQ Ferrit
|
|
Z-APOQ-RWM-BN
|
Rear wall mounting set with blind rivets
|
|
Z-APOQ-RWM-NM
|
Rear wall mounting set with rivet nuts M4
|
|
Z-APOQ-VWM-BN
|
Front wall mounting set with blind rivets
|
|
Z-APOQ-VWM-NM
|
Front wall mounting set with rivet nuts M4
|
|
Z-APOQ-AP
|
Spacer plate PA
|
|
Z-APOQ-GLUE
|
Assembly adhesives
|
|
Z-APOQ-SCREW
|
Machine screws DIN912 with nuts M4
|
|
Z-APOQ-SPX
|
Wood screws |
Assembly and preparation
💡 If the sensor is easily accessible after installation, install the sensor first and activate it after installation!
If the sensor is no longer accessible after installation, activate the sensor first and install it after activation!
📢 Before using this type of installation, make sure that the surface to which the sensor is to be screwed is flat, otherwise the housing may be damaged.
📢 The tightening torque of the screws is
- If you have ordered a device with an external antenna, which can be recognized by the gold RP-SMA connector, first install the antenna included in the scope of delivery.
- The sensor should be mounted with the long side along a container. This means that the long side of the sensor and the long side of the container should run parallel.
.png?width=476&height=586&name=Untitled%20(38).png)
- Make sure that the sensor has as free a field of view as possible. The opening angle can be described with a cone of 40°.
.png?width=670&height=327&name=Montage_Container_2021-Jun-04_07-45-16AM-000_CustomizedView9062892456%20(1).png)
- Spacer plate: The spacer plate can also be used for front or rear wall mounting. The spacer plate ensures that a flat installation is possible and ensures the minimum distance between sensor and container. This way the antenna performance is not negatively affected. If necessary, the spacer plate can also be used for rear wall mounting.
.png?width=670&height=547&name=Untitled%20(39).png)
💡 External antenna: Please note that the antenna should always be mounted vertically and that the tip should point towards the sky if the application permits. The antenna should be at least 2 cm away from metal surfaces. Ensure that the antenna is not shielded by surrounding metal parts, if the application permits. Internal antenna: If your device has an internal antenna (no external antenna visible), the Helios sensor should always be mounted with the long side vertical, as this allows the maximum signal strength of the device to be achieved. The antenna is located on the top (logo side) of the housing and should be at least 2 cm away from metal surfaces. Ensure that the antenna is not shielded by surrounding metal parts, as far as the application allows.
📢 Please note: If you receive a device with an external antenna, never operate the device without an external antenna! This can cause irreparable damage to the sensor.
General installation instructions
The sensor determines the distance between an object and the sensor. To achieve maximum measuring performance, the sensor must be aligned parallel to the object to be measured. If the object to be measured is lumpy or bulk material, the sensor must be mounted parallel to the bottom of the container. of the container. The sensor beam should hit the measurement object at an angle of 90° if possible. object to be measured.
.png?width=306&height=283&name=Untitled%20(41).png)
If the sensor is not mounted parallel to the measurement object, the measurement performance may be impaired. If the sensor is not aligned horizontally, it must be ensured that the percentage calculation of the fill level is adjusted.
Rear wall mounting with screws
This type of mounting is usually used to fix the sensor in a container. insert the appropriate screws into the holes provided. Alternatively, suitable wood or plastic screws can also be used if the sensor is to be attached to the respective materials. Use the two-point support provided for this purpose.
.png?width=306&height=260&name=Untitled%20(43).png)
If the sensor is not mounted parallel to the measuring object, the measurement performance may be impaired. In the case of non-horizontal alignment, care must be taken to adjust the percentage calculation of the level.
Front wall mounting with screws
This type of mounting works in the same way as "rear wall mounting with screws".
📢 Always use the spacer plate for this type of installation to ensure the distance from the antenna to the wall.
Rear panel mounting with magnets
The magnets shown below are neodymium magnets. Other designs may vary.
Insert the appropriate magnets into the holes provided. The magnets shown here shown here are NEODYM magnets. You can carry out this step alternatively for FERRIT magnets in the same way.
Insert the screws included in the set into the
holes on the opposite side and tighten the magnets.
📢 Although NEODYM magnets offer a higher force per surface area, they are only suitable for outdoor use to a limited extent. Please contact us for advice if required.
💡 Optional: Pull the anti-slip covers over the magnets.
The anti-slip cover prevents the magnet from slipping when the object vibrates or changes position.
Front wall mounting with magnets
Please follow the instructions under "Rear panel mounting with magnets" to mount the magnets and screws in opposite directions. The magnets are inserted into the holes on the front of the housing (logo side), the screws are inserted from the rear.
Scope of delivery for mounting with blind rivets or blind rivet nuts
💡 What is a blind rivet nut: A blind rivet nut is a type of fastener that is used to insert threads into thin materials such as sheet metal, plastic or wood. It consists of a sleeve with a thread on the inside and a rivet on the outside. The rivet is inserted into the material using a special tool and presses the sleeve together, embedding the thread in the material. The blind rivet nut is often used when it is not possible to place a nut on the back of the material, as the rivet nut is inserted from one side of the material and the thread is available on the other side to screw in a screw or bolt. A special tool is required for installation, a so-called blind rivet nut pliers.
Spacer sleeve for blind rivets for insertion into the rear of the housing for front panel mounting
.png?width=670&height=523&name=Untitled%20(47).png)
Spacer sleeve for blind rivets for insertion into the rear of the housing for front panel mounting
4x40 blind rivets
Blind rivet nut (variant with countersunk head)
DIN912 cylinder head screw M4x40 for front wall mounting with blind rivet nuts, DIN912 cylinder head screw M4x30 for rear wall mounting with blind rivet nuts

General information on front wall installation with blind rivet nuts
Step 1: Prepare materials and tools
Make sure you have all the necessary materials and tools to hand. You will need a blind rivet nut, riveting pliers, a drill, a drill bit, a measuring device and a wrench or pliers.
Step 2: Drill the hole
Drill a hole in the material in which the blind rivet nut is to be installed. The diameter of the hole should be 0.1 mm larger than the outer diameter of the blind rivet nut.
Step 3: Insert the blind rivet nut
Insert the blind rivet nut into the hole by pushing it through the hole.
Step 4: Attach the blind rivet nut
Place the riveting pliers on the blind rivet nut and tighten the pliers to hold the blind rivet nut in place.
Step 5: Using the riveting pliers
Use the riveting pliers to insert the blind rivet nut into the material. Tighten the pliers until the blind rivet nut is fully embedded and forms a firm connection.
Step 6: Inspection
Check the blind rivet nut to ensure that it has been properly installed and forms a tight connection. If necessary, tighten with a wrench or pliers to make sure it is securely fastened.
.png?width=592&height=465&name=Untitled%20(53).png)
Front wall mounting with blind rivet nuts
📢 Always use the spacer plate for this type of installation to ensure the distance from the antenna to the wall.
Front wall mounting is used when you want to mount the front of the Apollon-Q sensor on the wall of the object where the sensor is to be attached. The front or front side is the side with the opening in the middle, where the logo is also visible. This mounting method is the preferred option as it allows for easy battery or SIM card replacement by simply loosening screws (as opposed to front wall mounting with blind rivets).
📢 Activate the sensor before starting the installation.
Step 1: Depending on the sensor type (Radar and ToF only), drill the respective holes in the wall where you want to attach the sensor. Use the drilling template for this. The holes for the blind rivet nuts should have a diameter of 6.1 mm.-1.png?width=670&height=386&name=Untitled%20(55)-1.png)

-1.png?width=670&height=518&name=Untitled%20(57)-1.png)
.png?width=670&height=502&name=Untitled%20(58).png)
View of the container wall from below with the sensor mounted from above (front wall installation). Left hole for the optical sensor, right hole for the radar sensor.
.png?width=670&height=414&name=Untitled%20(59).png)
.png?width=670&height=386&name=Untitled%20(60).png)
Step 3: Now the sensor is mounted.
.png?width=670&height=467&name=Untitled%20(61).png)
.png?width=670&height=286&name=Untitled%20(62).png)
Back panel mounting with blind rivet nuts
Back panel mounting works analogously to front panel mounting with blind rivet nuts. In this case, the back of the sensor rests against the wall.
For this mounting method, M4x30 screws are used. The installation is done without a spacer plate.
General information on blind rivet installation
Step 1: Prepare materials and tools Make sure you have all the necessary materials and tools on hand. You will need a blind rivet, a rivet gun, and, if necessary, a drill and a drill bit.
Step 2: Drill a hole (optional) If there is no hole, drill a hole in the material where the blind rivet is to be installed. The diameter of the hole should be 0.1mm larger than the diameter of the blind rivet.
Step 3: Insert the blind rivet Insert the blind rivet into the rivet gun and slide it through the hole in the material.
Step 4: Use the rivet gun Place the rivet gun on the head of the blind rivet and tighten the gun to tension the rivet.
Step 5: Set the rivet Use the rivet gun to set the blind rivet. Tighten the gun until the rivet is fully embedded, forming a secure connection.
Step 6: Verification Check the blind rivet to ensure it has been installed correctly and forms a secure connection. If necessary, use a wrench or pliers to tighten it further to ensure it is securely fastened.
Back panel mounting with blind rivets
Back panel mounting works analogously to front panel mounting with blind rivet nuts. In this case, the back of the sensor rests against the wall.
For this mounting method, 4x40 blind rivets are used. The installation is done without a spacer plate.
The clamping range is 3 mm to 6 mm.
The holes for the blind rivets have a diameter of 4.1 mm.
Step 1: Depending on the sensor type (radar and ToF only), drill the respective holes into the wall where you want to mount the sensor. Use the drilling template for this. The holes for the blind rivets should have a diameter of 4.1 mm.
Step 2: Insert the rivets through the provided tabs. Use the included spacers (the longer version) for this. Insert the blind rivet first through the spacers, then through the tabs on the sensor. Now rivet the blind rivets with a suitable tool.
.png?width=670&height=510&name=Untitled%20(63).png)
.png?width=670&height=486&name=Untitled%20(64).png)
.png?width=670&height=390&name=Untitled%20(65).png)
Step 3: The sensor is now mounted.
.png?width=670&height=370&name=Untitled%20(66).png)
Front wall mounting with blind rivets
📢 Always use the spacer plate for this type of installation to ensure the distance from the antenna to the wall.
Front wall mounting is used when you want to mount the front of the Apollon-Q sensor on the wall of the object where the sensor will be installed. The front or front side is the side with the opening in the middle, where the logo is also visible.
📢 Activate the sensor before starting the installation. Otherwise,
For this type of installation, 4x40 blind rivets are used. The installation is done with a spacer plate.
The clamping range is 3 mm to 6 mm.
The holes for the blind rivets are 4.1 mm in diameter.
Step 1: Depending on the sensor type (Radar and ToF only), drill the respective holes in the wall where you want to install the sensor. Use the drilling template for this. The holes for the blind rivets should have a diameter of 4.1 mm.
Step 2: Insert the rivets through the designated tabs. Use the included spacers (the shorter ones) for this purpose. Insert the blind rivet first through the spacers, then through the tabs on the sensor, and finally through the spacer plate. Now, rivet the blind rivets with a suitable tool.
.png?width=670&height=505&name=Untitled%20(68).png)
-png.png?width=670&height=367&name=Untitled%20(69)-png.png)
.png?width=670&height=246&name=Untitled%20(70).png)
Step 3: Now the sensor is mounted.
.png?width=670&height=342&name=Untitled%20(71).png)
Hall-Switch Magnetic Switch Mounting Instructions
💡 There are two Hall sensors (magnetic field switches) on the sensor. The following graphic shows the location of the Hall sensors and the recommended placement of the magnets.
.png?width=506&height=351&name=Untitled%20(72).png)
- Both magnetic field switches are active. Either one or both sensors can be used.
- Large neodymium magnets are recommended as magnets. These should be placed as close to the sensor as possible. A recommended distance between the magnet and the sensor cannot be universally specified due to the variable size of the magnet. A maximum distance of 1 cm between the magnet and the housing is recommended.
- For comparison: With a neodymium disc magnet with d = 20mm and h = 5mm, reliable values are obtained at distances less than 1 cm.
- The magnetic field switches can be operated in three different modes:
- Container is closed when the magnet is applied.
- Container is open when the magnet is applied.
- Sensor counts an opening when the magnet passes twice.
NFC Commissioning and Location of the NFC Tag Activation is done via an NFC app.
- Activation takes place via an NFC app. A smartphone is required for this. The app can be downloaded from the respective app stores. Just search for “Sentinum LinQs” and download the LinQs app.
.png?width=670&height=322&name=Untitled%20(29).png)
- Locate the tag on the sensor first and then the reader on your device. The position of the NFC tag can be found in the following pictures.
.png?width=670&height=376&name=Untitled%20(74).png)
- Open the app and activate the sensor. To start the sensor in the basic settings, click on the button “Activate Sensor” in the start menu of the app. Now place your device on the NFC mark of the sensor.
.png?width=670&height=268&name=Untitled%20(26).png)
- When the sensor is activated, you will see “Sensor Updated!”. After that, you can continue with the activation of other sensors.
Battery replacement
- Open the housing with a dedicated Torx screwdriver. Carefully remove the lid and make sure that the seal is not damaged
.png?width=670&height=494&name=Untitled%20(75).png)
- Now carefully remove the cells from the intended holder and insert the new cells. In order to achieve the specified runtimes and performance specified in the datasheets, the following primary cells are allowed:
a. For LoRaWAN® and mioty® sensors
- Energizer® Ultimate Lithium Batteries – AA
- VARTA ULTRA LITHIUM Mignon AA
b. For cellular sensors (NB-IoT and LTE-CAT-M1)
- VARTA-CR-AH-R
Each sensor requires 2 cells..png?width=670&height=510&name=Untitled%20(76).png)
- When the exchange is complete, please dispose of the old cells properly. Then unscrew the housing. Make sure that the original location of the seal has not been changed.
📢 If cells other than the recommended ones are used, performance and product safety may be negatively affected.
Technical functions
We work the radar measurement
With the Neptun level sensor Sentinum expands its sensor portfolio with a robust tank and level sensor. The main field of application is the measurement of water and river levels for flood protection. Basically, a radar allows the detection of a measuring object that is obscured by other materials. In this way, the Neptune can also be mounted outside on plastic tanks and the filling level of liquids in the tank can be determined. In general, the radar is very well suited for measuring liquids, metals, moist bulk and bulk materials or even objects with smooth surfaces. In contrast to other technologies, disturbing objects in the depth direction can be ignored. This effect can be seen, for example, in use as a level sensor on bridges, whereby slight fouling in the sensor's field of view can be ignored..png?width=670&height=387&name=Untitled%20(77).png)
Maximum number of measuring objects Radar measurement
In contrast to the Apollon-Q, the Neptune sensor can detect a maximum of 6 measuring objects. A distance and an associated amplitude are then determined for each measuring object and output in the payload. Depending on the selected sorting function, the values in the payload are sorted by either the next object or the measurement object with the largest amplitude.
Function: Delta Features
Suppose the sensor measures and transmits at 12:00 o'clock and is in the default settings (_property_meas_period = 30, _property_alarm_pause = 6). At 12:10 the level changes by 100mm (> _property_alarm_delta). The sensor transmits the new level at 12:30. If nothing changes during the whole day after 12:30, the sensor transmits after 12:30 at intervals of 3 hours (_property_alarm_pause x _property_meas_period). Nevertheless, measurements are made every half hour (property meas_period).
Function: Vandalism detection
The following parameters can be set.
|
Key
|
Description
|
Unit
|
r/w
|
|
vdetect
|
To enable vandalism detection, set the parameter as follows: 0 indicates that vandalism detection is turned off, while 1 activates the feature. |
rw
|
|
| vdelta | Time that may elapse between two impacts for a vandalism alarm to be triggered based on the number of impacts. |
sec
|
rw |
| vlimit |
The maximum number of impacts that may occur, with any two impacts being no more than the defined Impact Delta apart, for the vandalism alarm to be activated.
|
rw
|
|
| vstren |
An impact will be recorded when the acceleration exceeds the specified vstren value.
|
mG
|
rw
|
| vcool |
Specifies a period of time during which another vandalism alarm cannot be triggered after a vandalism alarm has been triggered.
|
rw |
Function: Opening Detection
|
Key
|
Description
|
Unit
|
r/w
|
| Open Cooldown |
Defines a time interval during which a subsequent opening cannot be triggered after an initial opening has been activated (debounces the openings). The last recorded opening serves as the reference point.
|
sec |
rw
|
| Open Alarm After |
Specifies how long the cover must be open before an alarm is triggered
|
sec |
rw
|
| Open Source | Indicates which source was selected for opening detection was selected: 0: None (opening alarm deactivated) 1: Accelerometer 2: Hall |
rw
|
|
| Magnetic Field Behaviour | Indicates the operating mode of the Hall sensor: 0: Container is closed when Maget is applied 1: Container is open when magnet is applied 2: Sensor counts an opening when magnet is passed twice |
rw
|
|
| Open Alarm Enable | Activates or deactivates the open alarm: 0: deactivated 1: activated |
rw
|
|
| Property Open Alarm Enable | Specifies whether an alarm is triggered after the Open Alarm After time if the container is open is triggered 0: Alarm not active 1: Alarm active |
rw |
.png?width=670&height=171&name=Untitled%20(78).png)
📢 After joining or registering, the sensor waits for the time from propertyopen_cooldown until the opening counters are active. These are set to two minutes by default
Apollon-Q Valve opening detection.png?width=573&height=413&name=Untitled%20(79).png)
Valve opening detection are detected by a rotation around the x-axis.
The sensor must be mounted on the flap as follows..png?width=566&height=352&name=Untitled%20(80).png)
A flap opening detection is detected by an opening of the flap as shown in the following picture..png?width=527&height=626&name=Untitled%20(81).png)
Specifications subject to change without notice. All information provided without guarantee.
![]()
![]()
Documentation Links
You can find the links for further documentation on Apollon-Q T/R/TR here:
- General description
- Dataconverter .js
- Payload description
- NFC and downlink description
- Operating instructions
- Technical data sheet
- Quickstart Guide
.png?width=306&height=230&name=Untitled%20(40).png)
.png?width=306&height=218&name=Untitled%20(46).png)