Hyperion Technical Datasheet
Are you looking for a data sheet for Hyperion?
Here you can find all information that you need
📄 Full Technical Datasheet (PDF)
📦 General Characteristics
| Feature | Value | Unit |
|---|---|---|
| Dimensions (L × W × D) | 90 × 91 × 72 | mm |
| Width in modules | 5 | TE |
| Weight | Approx. 350 | g |
| Housing material | Polycarbonate, halogen-free, recyclable | – |
| Terminal protection class | IP20 | – |
| Enclosure protection class | IP51 | – |
| Electrical protection class | II | – |
| Operating temperature | –25 to +70 | °C |
| Storage temperature | –30 to +70 | °C |
| Relative humidity | Avg. 75%, short-term 90% (non-condensing) | % |
| Mechanical environment | M2 | – |
| Electromagnetic environment | E2 | – |
| Display type | Graphic LC with backlight | – |
| Display size | 38 × 28 | mm |
| Display resolution | 8 digits, up to 3 decimal places | – |
| Approvals | CE, MID B + D, PTB-A 20.1, PTB-A 50.7 | – |
| Energy management compliance | ISO 50001 | – |
| Mounting type | DIN rail (35 mm) or front mounting frame | – |
| Mounting orientation | Position-independent | – |
- Display navigation is multilingual and operated via buttons.
- Graphic LC display ensures readability in low-light environments.
- MID Module B + D approval allows legal-for-trade energy billing across the EU and EEA.
- Suitable for integration into energy management systems compliant with ISO 50001.
⚡ Electrical Characteristics
| Feature | Value |
|---|---|
| Operating voltage (L-L) | 400 ±20% V |
| Operating voltage (L-N) | 230 ±20% V |
| Maximum current (direct) | 100 A |
| Maximum current (transformer) | 6 A |
| Starting current (direct) | 20 mA (at power factor 1) |
| Starting current (transformer) | 1 mA (at power factor 1) |
| Network frequency | 50 Hz (60 Hz optional), range 40–65 Hz |
| Power consumption (voltage path) | 0.8 VA / 0.8 W per phase |
| Power consumption (current path) | 0.075 VA per phase (transformer) |
| Connection (direct) | 1.5–35 mm², 2 Nm (max. 3 Nm) |
| Connection (transformer) | 1–6 mm², 0.8 Nm (max. 1 Nm) |
| Transformer ratio (/5 A) | 5/5 to 20,000/5 A (configurable) |
| Transformer ratio (/1 A) | 1/1 to 4,000/1 A (configurable) |
| Tariff switching | 2 or 4 tariffs, 230 VAC input |
| Active energy accuracy | Class B (1%) per EN50470-3 |
| Reactive energy accuracy | Class 2 (2%) per EN62053 |
| S0 pulse output | EN62053-31, 1–10,000 pulses/kWh, configurable width |
- Supports bidirectional measurement (supply and consumption).
- Transformer ratios are reconfigurable multiple times using sealable buttons.
- Configuration changes (e.g. transformer ratio, pulse output) are recorded in the device logbook.
- Tested and certified for photovoltaic applications – accurate measurements from 2 kHz to 150 kHz.
- Pulse output rate and duration are adjustable directly on the meter.
Load Profile & Data Logging
- Internal memory stores load profile data at 15-minute intervals.
- Data is retained for a minimum of 10 years using EEPROM memory.
- Stored profiles can be accessed via interface or displayed on the meter screen.
Clock & Time Synchronization
- Buffered internal clock maintains time for up to 18 days without power.
- Time synchronization possible via LoRaWAN or mioty interfaces.
Current Transformers
The Hyperion supports configurable current transformer (CT) ratios for both /5 A and /1 A types: from 5/5 A to 20,000/5 A and 1/1 A to 4,000/1 A. Settings can be changed multiple times via the onboard buttons. The service button is sealable to prevent tampering, and any configuration changes are logged and archived for traceability.
- MID B + D certification for billing compliance
- Bidirectional energy measurement
- Tested for accurate readings from 2 kHz to 150 kHz (ideal for PV inverters)
- Integrated tamper protection with sealable controls
Display Overview:

📊 Measurement Parameters
| Parameter | Total / 3 Phases | Per Phase | Per Tariff |
|---|---|---|---|
| Active energy consumption (kWh) | ✓ | ✓ | ✓ |
| Active energy delivery (kWh) | ✓ | ✓ | ✓ |
| Reactive energy consumption (kvarh) | ✓ | ✓ | ✓ |
| Reactive energy delivery (kvarh) | ✓ | ✓ | ✓ |
| Active power (kW) | ✓ | ✓ | |
| Reactive power (kvar) | ✓ | ✓ | |
| Apparent power (kVA) | ✓ | ✓ | |
| Current (A) | ✓ | ✓ | |
| Voltage (L-N) | ✓ | ||
| Voltage (L-L) | ✓ | ||
| Power factor (cos φ) | ✓ | ||
| Frequency (Hz) | ✓ | ||
| Voltage drop counter | ✓ | ||
| Load profile storage | ✓ |
The Hyperion energy meter enables precise and flexible measurement of electrical parameters. It supports consumption, generation, and load profiling across total, per-phase, and tariff-specific breakdowns. This comprehensive measurement coverage makes it ideal for smart metering, energy audits, and energy management systems in complex installations.
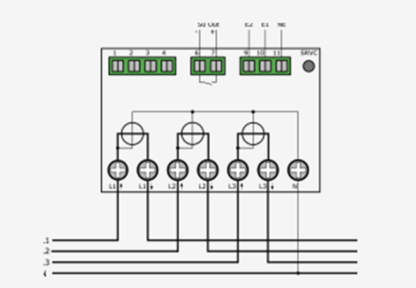
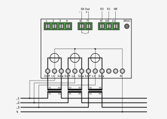
Installation & Wiring
The Hyperion energy meter supports two installation configurations based on current levels:
- Direct connection for currents up to 100 A
- Current transformer (CT) connection for measurements up to 20,000 A
Below are standard wiring diagrams for both configurations:
Wiring example for Hyperion 3/100

Wiring example for Hyperion 3/5

🌐 Communication & Connectivity
- Wireless technologies: LoRaWAN® or mioty® (sub-GHz, license-free bands).
- LoRaWAN® version: Class C device — supports continuous downlink communication (can also operate as Class A).
- mioty® version: Uplink only (downlink support planned in future firmware).
- Payload: Fully configurable to match application and system requirements.
- External antenna support: Optional SMA socket available for extended range (14 dBm attenuation).
- Optical interface: Infrared (IR) D0 interface per EN 62056-21 standard.
- Time synchronization: Automatic via LoRa network (LoRaWAN only).
- Join methods supported: OTAA (Over-The-Air Activation) and ABP (Activation By Personalization).
- Network compatibility: Can be integrated into public or private LoRa/mioty networks (e.g., DIEHL).
- Decoder/encoder support: Ready-to-use libraries available for TTN and 3rd-party integrations.
- LoRaWAN®/mioty® status display: Shown on LC display for easy diagnostics.
Product Variants & Order Codes
| Version | Type | Part No. |
|---|---|---|
| Hyperion Energy Meter with direct measurement up to 100 A | LoRaWAN, internal antenna | S-HYPE-LOEU-D-INT |
| Hyperion Energy Meter with direct measurement up to 100 A | LoRaWAN, external antenna | S-HYPE-LOEU-D-EXT |
| Hyperion Energy Meter with direct measurement up to 100 A | mioty, internal antenna | S-HYPE-MIOTY-D-INT |
| Hyperion Energy Meter with direct measurement up to 100 A | mioty, external antenna | S-HYPE-MIOTY-D-EXT |
| Hyperion Energy Meter with current transformer connection | LoRaWAN, internal antenna | S-HYPE-LOEU-W-INT |
| Hyperion Energy Meter with current transformer connection | LoRaWAN, external antenna | S-HYPE-LOEU-W-EXT |
| Hyperion Energy Meter with current transformer connection | mioty, internal antenna | S-HYPE-MIOTY-W-INT |
| Hyperion Energy Meter with current transformer connection | mioty, external antenna | S-HYPE-MIOTY-W-EXT |
⚠️ For applications requiring simplified replacement (e.g., calibration expiration), device selection should allow for maintenance without full system shutdown.
Legal & Certification
- Complies with MID Module B + D (Directive 2004/22/EC).
- Approved for legal-for-trade energy billing across the EU and EEA.
This documentation may contain forward-looking statements based on current assumptions and estimates. Actual performance and results may vary due to factors outside the company's control. Sentinum GmbH makes no commitment to update this information.
Documentation Links
You can find the links for further documentation on Hyperion Energy Meter here :
- Hyperion Energy Meter
- Data Sheet for Hyperion
- Operating Instructions for the Hyperion
- LoRaWAN Interface
- Hyperion Dataconverter in .js
- CE EU Declaration of Conformity Hyperion
Specifications subject to change without notice. All information provided without guarantee.

![]()
![]()
![]()
![]()
![]()
![]()