Datenblatt für den Hyperion
Sie suchen ein Datenblatt für den Hyperion?
Hier finden Sie das Datenblatt für den Hyperion
📦 Allgemeine Merkmale
| Merkmal | Wert | Einheit |
|---|---|---|
| Abmessungen (L × B × T) | 90 × 91 × 72 | mm |
| Breite in Modulen | 5 | TE |
| Gewicht | ca. 350 | g |
| Gehäusematerial | Polycarbonat, halogenfrei, recycelbar | – |
| Klemmenschutzart | IP20 | – |
| Gehäuseschutzart | IP51 | – |
| Schutzklasse | II | – |
| Betriebstemperatur | –25 bis +70 | °C |
| Lagertemperatur | –30 bis +70 | °C |
| Relative Luftfeuchtigkeit | Ø 75 %, kurzzeitig 90 % (nicht kondensierend) | % |
| Mechanische Umgebung | M2 | – |
| Elektromagnetische Umgebung | E2 | – |
| Displaytyp | Grafisches LC mit Hintergrundbeleuchtung | – |
| Displaygröße | 38 × 28 | mm |
| Displayauflösung | 8-stellig, bis zu 3 Nachkommastellen | – |
| Zulassungen | CE, MID B + D | – |
| Energiemanagement Norm | ISO 50001 | – |
| Montageart | Hutschiene (35 mm) oder Fronteinbaurahmen | – |
| Montagerichtung | Lageunabhängig | – |
- Menüführung ist mehrsprachig und erfolgt über Tasten.
- Grafisches LC-Display ist auch bei schlechten Lichtverhältnissen gut lesbar.
- MID Modul B + D Zulassung erlaubt eichrechtskonforme Energieabrechnung in der EU und im EWR.
- Geeignet für die Integration in Energiemanagementsysteme gemäß ISO 50001.
⚡ Elektrische Merkmale
| Merkmal | Wert |
|---|---|
| Betriebsspannung (L–L) | 400 ±20% V |
| Betriebsspannung (L–N) | 230 ±20% V |
| Maximalstrom (Direktmessung) | 100 A |
| Maximalstrom (Wandler) | 6 A |
| Anlaufstrom (Direktmessung) | 20 mA bei Leistungsfaktor 1 |
| Anlaufstrom (Wandler) | 1 mA bei Leistungsfaktor 1 |
| Netzfrequenz | 50 Hz (60 Hz optional), Bereich 40–65 Hz |
| Eigenverbrauch (Spannungspfad) | 0.8 VA / 0.8 W pro Phase |
| Eigenverbrauch (Strompfad – Wandler) | 0.075 VA pro Phase |
| Anschluss (Direktmessung) | 1.5–35 mm², 2 Nm (max. 3 Nm) |
| Anschluss (Wandler) | 1–6 mm², 0.8 Nm (max. 1 Nm) |
| Stromwandlerverhältnis (/5 A) | 5/5 bis 20.000/5 (konfigurierbar) |
| Stromwandlerverhältnis (/1 A) | 1/1 bis 4.000/1 (konfigurierbar) |
| Tarifumschaltung | 2 oder 4 Tarife, 230 VAC Eingang |
| Genauigkeit Wirkenergie | Klasse B (1 %) nach EN50470-3 |
| Genauigkeit Blindenergie | Klasse 2 (2 %) nach EN62053 |
| S0-Impulsausgang | EN62053-31, 1–10.000 Impulse/kWh, Impulsdauer konfigurierbar |
- Unterstützt bidirektionale Messung (Bezug und Lieferung).
- Stromwandlerverhältnisse mehrfach über plombierbare Tasten konfigurierbar.
- Konfigurationsänderungen (z. B. Wandlerverhältnis, Impulsausgang) werden im Gerätespeicher protokolliert.
- Geprüft und zertifiziert für Photovoltaikanwendungen – genaue Messungen von 2 kHz bis 150 kHz.
- Impulsrate und Impulslänge direkt am Zähler einstellbar.
Lastgang & Datenaufzeichnung
- Interner Speicher zeichnet Lastgangdaten in 15-Minuten-Intervallen auf.
- Die Daten werden für mindestens 10 Jahre im EEPROM gespeichert.
- Gespeicherte Profile können über die Schnittstelle ausgelesen oder am Zähler angezeigt werden.
Zeitsynchronisation
- Gepufferte interne Uhr hält die Zeit bis zu 18 Tage ohne Spannungsversorgung.
- Zeitsynchronisation über LoRaWAN- oder mioty-Schnittstellen möglich.
Stromwandler
Der Hyperion unterstützt konfigurierbare Stromwandlerverhältnisse für /5 A- und /1 A-Typen: von 5/5 A bis 20.000/5 A sowie von 1/1 A bis 4.000/1 A. Die Einstellungen können mehrfach über die Tasten am Gerät angepasst werden. Die Service-Taste ist plombierbar, um Manipulationen zu verhindern. Alle Konfigurationsänderungen werden protokolliert und archiviert.
- MID B + D Zulassung für Abrechnungszwecke
- Zweirichtungs-Energiemessung
- Geprüfte Genauigkeit im Bereich 2 kHz bis 150 kHz (ideal für PV-Anlagen)
- Integrierter Manipulationsschutz mit plombierbaren Bedienelementen
Displayübersicht

📊 Messparameter
| Parameter | Gesamt / 3 Phasen | Je Phase | Je Tarif |
|---|---|---|---|
| Wirkenergie – Bezug (kWh) | ✓ | ✓ | ✓ |
| Wirkenergie – Lieferung (kWh) | ✓ | ✓ | ✓ |
| Blindenergie – Bezug (kvarh) | ✓ | ✓ | ✓ |
| Blindenergie – Lieferung (kvarh) | ✓ | ✓ | ✓ |
| Wirkleistung (kW) | ✓ | ✓ | |
| Blindleistung (kvar) | ✓ | ✓ | |
| Scheinleistung (kVA) | ✓ | ✓ | |
| Strom (A) | ✓ | ✓ | |
| Spannung (L-N) | ✓ | ||
| Spannung (L-L) | ✓ | ||
| Leistungsfaktor (cos φ) | ✓ | ||
| Frequenz (Hz) | ✓ | ||
| Spannungsausfallzähler | ✓ | ||
| Lastprofil-Speicherung | ✓ |
Der Hyperion Energiezähler ermöglicht eine präzise und flexible Messung elektrischer Parameter. Er unterstützt Verbrauch, Einspeisung und Lastprofilierung auf Gesamt-, Phasen- und Tarifeebene. Diese umfassende Messabdeckung macht ihn ideal für Smart Metering, Energieaudits und Energiemanagementsysteme in komplexen Installationen.
Installation & Verdrahtung
Der Hyperion Energiezähler unterstützt zwei Installationskonfigurationen, abhängig vom Strombereich:
- Direktanschluss für Ströme bis zu 100 A
- Stromwandleranschluss für Messungen bis zu 20.000 A
Nachfolgend finden Sie Standard-Verdrahtungsdiagramme für beide Konfigurationen:
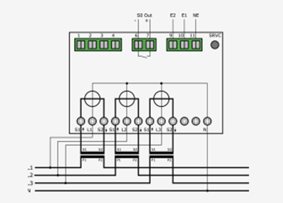
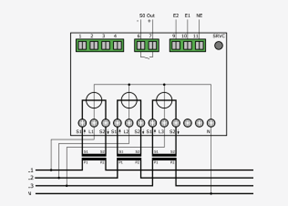
Verdrahtungsbeispiel für Hyperion 3/100

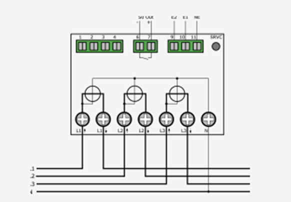
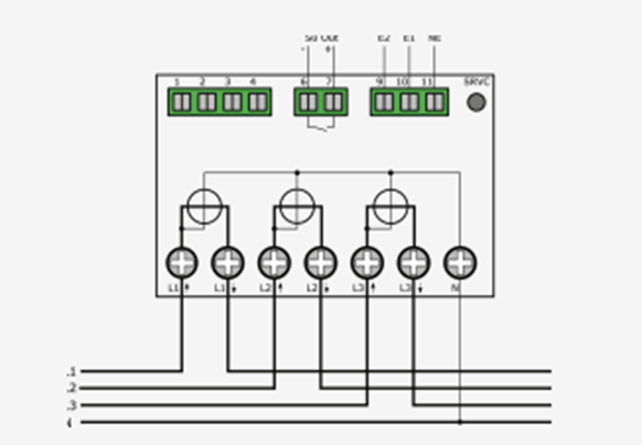
Verdrahtungsbeispiel für Hyperion 3/5

🌐 Kommunikation & Konnektivität
- Drahtlose Technologien: LoRaWAN® oder mioty® (Sub-GHz, lizenzfreie Frequenzbänder).
- LoRaWAN®-Version: Klasse-C-Gerät – unterstützt kontinuierliche Downlink-Kommunikation (kann auch als Klasse A betrieben werden).
- mioty®-Version: Nur Uplink (Downlink-Unterstützung in zukünftiger Firmware geplant).
- Nutzdaten (Payload): Vollständig konfigurierbar je nach Anwendung und Systemanforderungen.
- Externe Antenne: Optionale SMA-Buchse verfügbar für größere Reichweite (14 dBm Dämpfung).
- Optische Schnittstelle: Infrarot (IR) D0-Schnittstelle gemäß EN 62056-21.
- Zeit-Synchronisation: Automatisch über LoRa-Netzwerk (nur LoRaWAN).
- Unterstützte Join-Methoden: OTAA (Over-The-Air Activation) und ABP (Activation By Personalization).
- Netzkompatibilität: Integration in öffentliche oder private LoRa-/mioty-Netze möglich (z. B. DIEHL).
- Decoder-/Encoder-Unterstützung: Einsatzfertige Bibliotheken für TTN und Drittanbieter-Integrationen verfügbar.
- LoRaWAN®/mioty®-Statusanzeige: Wird auf dem LC-Display zur einfachen Diagnose angezeigt.
Produktvarianten & Bestellnummern
| Ausführung | Typ | Artikel-Nr. |
|---|---|---|
| Hyperion Energiezähler mit Direktmessung bis 100 A | LoRaWAN, interne Antenne | S-HYPE-LOEU-D-INT |
| Hyperion Energiezähler mit Direktmessung bis 100 A | LoRaWAN, externe Antenne | S-HYPE-LOEU-D-EXT |
| Hyperion Energiezähler mit Direktmessung bis 100 A | mioty, interne Antenne | S-HYPE-MIOTY-D-INT |
| Hyperion Energiezähler mit Direktmessung bis 100 A | mioty, externe Antenne | S-HYPE-MIOTY-D-EXT |
| Hyperion Energiezähler mit Stromwandleranschluss | LoRaWAN, interne Antenne | S-HYPE-LOEU-W-INT |
| Hyperion Energiezähler mit Stromwandleranschluss | LoRaWAN, externe Antenne | S-HYPE-LOEU-W-EXT |
| Hyperion Energiezähler mit Stromwandleranschluss | mioty, interne Antenne | S-HYPE-MIOTY-W-INT |
| Hyperion Energiezähler mit Stromwandleranschluss | mioty, externe Antenne | S-HYPE-MIOTY-W-EXT |
⚠️ Für Anwendungen, bei denen ein vereinfachter Austausch (z. B. Ablauf der Eichgültigkeit) erforderlich ist, sollte die Gerätekonfiguration eine Wartung ohne vollständiges Herunterfahren des Systems ermöglichen.
Rechtliches & Zertifizierungen
- Entspricht MID Modul B + D (Richtlinie 2004/22/EG).
- Zugelassen für eichrechtskonforme Energieabrechnung in der EU und dem EWR.
Diese Dokumentation kann zukunftsgerichtete Aussagen enthalten, die auf aktuellen Annahmen und Schätzungen basieren. Die tatsächliche Leistung und Ergebnisse können aufgrund von Faktoren außerhalb des Einflussbereichs des Unternehmens abweichen. Die Sentinum GmbH übernimmt keine Verpflichtung zur Aktualisierung dieser Informationen.
Dokumentationen Links
Die Links für die weiteren Dokumentationen den Hyperion Energy Meter finden Sie hier :
- Hyperion Energy Meter
- Datenblatt für den Hyperion
- Betriebsanleitung für den Hyperion
- LoRaWAN Schnittstelle
- Hyperion Dataconverter in .js
- CE EU-Konformitätserklärung Hyperion
Technische Änderungen behalten wir uns ohne vorherige Ankündigung vor. Alle Angaben ohne Gewähr.

![]()
![]()
![]()
![]()
![]()
![]()