Hyperion Operating instructions
Are you looking for the hyperion operating instructions?
- Read all operating instructions and related documents from Sentinum GmbH before using the device.
- Use the Hyperion only within the specified application limits; improper use may cause injury or damage.
- Only qualified professionals should install the Hyperion energy meter.
- Unauthorized modifications void warranty and liability.
- Observe all local safety and installation regulations.
- Follow the installation instructions precisely to avoid malfunction.
- The device is maintenance-free; if damaged, only Sentinum may carry out repairs.
- The buyer is responsible for selecting a suitable device for their application.
- Sentinum assumes no liability for damage due to incorrect operation or planning.
- Information in documentation does not guarantee specific performance.
The selection of the meter and the determination of its suitability for a specific application are solely the responsibility of the buyer. No liability or warranty is assumed for this.
The information in the catalogs and data sheets does not constitute a guarantee of specific properties but is based on experience and measurements.
Liability for damages caused by incorrect operation, project planning, or device malfunction is excluded. The operator/planner is responsible for ensuring that such issues do not cause further damage.
No guarantee is provided for defects or damage resulting from improper use or failure to follow the operating instructions.
Customer responsibilities
Data Security & Backups
The operator is solely responsible for securing all data. This includes regular readings, creating backups, and storing them safely. Sentinum may offer support for backup strategies as an additional service.
Monitoring Duty
The operator must monitor the system continuously and detect failures at metering points within 24 hours.
Access Protection
The operator must implement appropriate technical and organizational measures to prevent unauthorized access to the Hyperion energy meter.
Responsibility for IT Environment
The operator is responsible for their IT infrastructure and for meeting the system requirements necessary for firmware updates and meter functionality.
This includes:
-
Providing suitable hardware and knowledgeable personnel
-
Performing daily data backups and diagnostics
-
Regularly reviewing results and having contingency plans
-
Ensuring system compatibility before applying updates
-
Data logger entries must be read and archived daily.
📦 Scope of Delivery
| Quantity | Item |
|---|---|
| 1 | Quick start guide (overview of key meter features) |
| 1 | Hyperion energy meter |
📬 If your delivery shows visible damage, please contact us immediately at sentinum@info.de. Provide the serial number and the relevant delivery note or invoice number for each affected meter.
Product description
The Hyperion is:
- to be used only as 3-phase energy meters.
- intended for static 3-phase measurement of the obtained and delivered effective energy according to EN50470-3:2006 in residential, commercial and industrial environments.
- These measurements may be used for accounting purposes.
- intended for static 3-phase measurement of reactive energy obtained and delivered according to EN62053 in residential, commercial and industrial environments.
- These measurements may be used for accounting purposes.
- suitable for installation in static and weatherproof control cabinets in buildings.
- can be used in 4-wire networks and TN (Terre Neutre Combiné) networks.
- can be used in the 3/100 version for direct current measurements up to 100A
- suitable for measurements in medium and high voltage networks only via current and voltage converters.
- not certified for the use of voltage converters or
Measured values not legally valid.
- only in proportion. . /100 adjustable for voltage converters.
- in the 3/5 version for current measurement via external. . /1A or . . /5A current converters are provided.
- suitable for use in residential, commercial and industrial areas.
- in the LP version certified for load handling according to PTB-A 20. 1 and PTB-A 50. 7.
The measurement data can be displayed on the display and, depending on the model, read and further processed via the appropriate interface of the device.
Measurement methods
The measurement of current and voltage by the Hyperion proceeds according to the following principle. The Hyperion measures the current and the voltage for 1 second each, after which a new measurement is started. During this second, the following procedure takes place:
- The Hyperion captures 8192 measuring points for the voltage U and the current I. These measuring points have a 32bit resolution.
- All measured values for the voltage U and the current I are squared, summed and at the end of the second divided by the number of measuring points (8192). If you extract the root from the result, you get the effective value of the voltage and the current:

The power factor λ\lambdaλ (cos φ) is calculated as: 
The effective power P is calculated from: P = P F ¨ S
Since an integral is always formed over the voltage (U), the current (I), and the power (U ̈ I), also non-sinusoidal currents up to and with the 7th upper wave are detected.
Operating concept

| Button | Function |
|---|---|
| Button 1 – Right Arrow |
|
| Button 2 – Down Arrow |
|
| Button 3 – Service (SRVC) |
|
| Sealing | Service button is hidden after installation and can be sealed with lead. Terminal covers are also sealable to prevent tampering. |
Overview of the front view of Hyperion

On the front of the Hyperion energy meter, you can find the following primary elements:
| 1. Type designation | 2. Active energy certification |
| 3. D0 interface | 4. Navigation button 'Arrow right' |
| 5. Navigation button 'Arrow down' | 6. QR code with serial number and website |
| 7. Number of phases, number of wires | 8. Serial number |
| 9. Class designation | 10. Reference voltage, reference frequency |
| 11. Operating temperature | 12. Current range |
| • Company logo (displayed on the front plate) | |
Overview of the Hyperion display

| Item | Description |
|---|---|
| 1 | Current Tariff |
| 2 | Active communication interface (depending on model) |
| 3 | Phase sequence |
| 4 | Four-quadrant display together with number 5: • <<P: Active power is being delivered.• P>>: Active power is being consumed. |
| 5 | Four-quadrant display together with number 4: • <<Q: Reactive power is being delivered (inductive).• Q>>: Reactive power is being consumed (capacitive). |
| 6 | Measurement value / Menu item |
| 7 | Sub-menu item |
| 8 | Current measurement value |
| 9 | Unit of the current measurement |
General Display Symbols
| Symbol | Description |
|---|---|
| T1 | Current tariff setting (T1, T2, etc.). |
| MODBUS | The meter's interface is Modbus. |
| ETH | The meter's interface is TCP/IP. |
| M-BUS | The meter's interface is M-Bus. |
| LORA | The meter's interface is LoRa. |
| L1 L2 L3 | All phases are connected. A "–" indicates a disconnected phase. |
| <<P | Delivered active power. |
| P>> | Consumed active power. |
| <<Q | Delivered reactive power (capacitive). |
| Q>> | Consumed reactive power (inductive). |
| OF | One or more energy registers have overflowed. |
| MEM | Meter's internal memory is defective. Create a support ticket at: Support Form. |
LP Version Specific Symbols
| Symbol | Description |
|---|---|
| TNV | Time on the meter is not valid. Synchronize with current date and time. |
| TNS | Time is not correctly synchronized. |
| NTP | (TCP/IP only) No time sync received in over an hour. |
| PTB NV | Legally invalid state – further measurements not valid for billing. |
Compatible devices interfaces:
- MBus
- TCP/IP, Modbus TCP
- Modbus RTU
- LoRa
Installation
The Hyperion can be installed independently of position. The meter is designed for a DIN rail according to EN 50022. The meter can also be mounted using a front installation frame. To remove the meter from a DIN rail, pull on the spring-loaded latch on the front of the meter. The wiring of the transformer meter should be kept as short as possible.
If the Hyperion shows significant measurement discrepancies after installation, please take note of the following points:
- The use of Rogowski coils is not recommended for the transformer meter due to the multiple current/voltage transformations with external amplification. Each transformation and amplification adds a multiplicative measurement error.
- Self-consumption
Each meter has an inherent energy consumption. A main meter will therefore measure more consumed energy than the sum of the individual sub-meters. Depending on the model, a Hyperion consumes up to 2W per phase. Over a year, this results in an average self-consumption of 36kWh/year with a maximum self-consumption of 52.5kWh/year.
Starting Current
- The Hyperion 3/5 only starts counting at a phase current of 1 mA, while the Hyperion 3/100 only starts counting at a phase current of 20 mA. For transformer meters, the current transformers must be dimensioned accordingly.
Accuracy
- The Hyperion has accuracy class B (active energy) and class 2 (reactive energy) according to EN50470. Thus, a maximum measurement error of 1% (active energy) and 2% (reactive energy) per meter can occur. The total energy for a potential main meter is only affected by this error once, while the total energy of the added sub-meters includes this error multiple times.
- Example: A main meter has 20 sub-meters. Each sub-meter measures 0.2% too little energy. The main meter measures 0.2% too much energy. The total energy of the 20 sub-meters at a real consumption of 100kWh would be 100kWh * 20 meters * -0.2% = 4kWh too little energy. The main meter, on the other hand, will show 100kWh * 1 meter * +0.2% = 0.2kWh too much. The energy difference measured between the sub-meters and the main meter would thus be 4.2kWh out of 100kWh or 4.2%.
Energy Direction (Transformer Meter)
- If all currents are expected to have a positive sign (the meter only measures energy consumption) and one or more currents still have a negative sign, the current transformer is incorrectly connected.
Transformer Factor (Transformer Meter)
- The transformer factors on the meter must be set according to the installed current/voltage transformer.
Correct Phase Assignment
- Current L1 and Voltage L1 must be connected to the same measuring system. Refer to the transformer meter connection diagram.
The weight of a meter is approximately 350g.
Installation & Electrical Safety Notes
- Electric meters should only be installed by qualified electrical personnel.
- Current transformers must not be operated openly as high voltages can occur. These can lead to personal injury and/or property damage.
⚠️ DANGER:
- When installing, removing, or replacing the meter, all conductors to which the meter is connected must always be de-energized. Touching live parts is life-threatening!
- The Hyperion 3/5 transformer meter has voltage on the current path! Ensure that the voltage paths are also de-energized before connecting the current transformers! Touching live parts is life-threatening!
⚠️ Attention:
- According to DIN VDE 0100-557, point 5.3.1, the secondary terminals of current transformers in low-voltage switchgear must not be grounded.
⚠️ Note:
- Only the designated screw and spring terminals should be used for connecting the meter. It is recommended to use ferrules.
- The device can be damaged or destroyed by not following the installation instructions. Always adhere strictly to the installation instructions.
📝 Commissioning Checklist
Please ensure the following checks are performed before commissioning:
- Direction of rotation
- Current per phase, check for negative energy direction
- Order of phases → L1, L2, L3
- Current transformer ratio
- Voltage transformer ratio
- Terminals properly tightened (check torque values)
- For readout interface: correct address configured
Factory Default Settings
| Setting | Default Value |
|---|---|
| S0 Output | Active energy consumption (Pin 6 + 7) |
| Pulse Rate – Transformer Meter | 10 pulses / kWh |
| Pulse Rate – Direct Connection Meter | 1000 pulses / kWh |
| Dimensions | See "Dimensional Drawing Hyperion", Doc. Ref: 1420 |
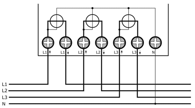
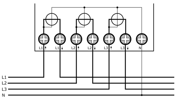
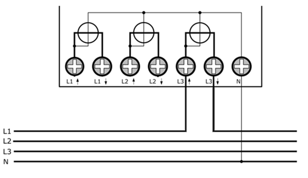
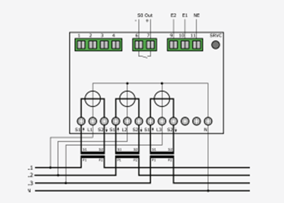
Direct connection wiring Diagram

In the case of transformer meters, the voltage is tapped externally. Connect the phase to the respective "Lx". The neutral conductor is connected at terminal "N".
Pay attention to the arrows at the connection terminals of the current transformer when connecting. "S1↑" denotes the network-side connection, and "S2↓" denotes the load/producer-side connection.
The following table provides the key specifications of the two transformer connections ![]()
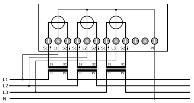
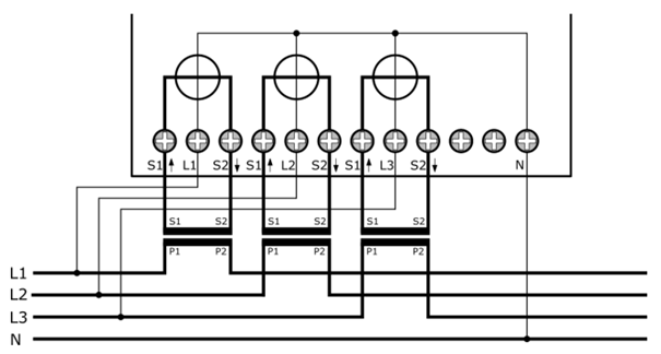
Connection scheme for transformer meter

In the case of transformer meters, the voltage is tapped externally. Connect the phase to the respective "Lx". The neutral conductor is connected at terminal "N".
Pay attention to the arrows at the connection terminals of the current transformer when connecting. "S1↑" denotes the network-side connection, and "S2↓" denotes the load/producer-side connection.
The following table provides the key specifications of the two transformer connections:

Tightening torque

Spring clamp connections wire diameter

Operation
Main menu pages
When the power supply is first applied to the meter, a test image appears first. After about 2 seconds, the main menu page "Active Energy Import" appears. By pressing the "Right Arrow" button, the following main menu pages are displayed in a circular menu:

By holding down the "Right Arrow" button for more than 2 seconds, the circular menu can also be navigated backwards. (FW version 1.3.0 and newer)
Submenu pags
Energy Displays
The main menu pages "Active Energy Import / Export" and "Reactive Energy Import / Export" display the total import/export of the respective energies by default. The following scheme generally applies to the submenu pages:

To ensure the most accurate display of energy values, without missing large consumers, the Hyperion is equipped with an autorange function. If the display exceeds its range, the OF flag will appear on the display. However, the registers that can be read via the interfaces only overflow much later (around 18 billion GWh) compared to the display (99 million MWh). The display shows the energy values as follows:


Maximum energy register value: 18,446,744,073,709,600,000 Wh = 18,446.7 PWh
Power and current consumption
The main menu pages for "active / reactive / apparent power" each show the total current power consumption. By pressing the "Arrow Down" button, you can switch to the power consumption of individual phases.
On the main menu page "Current", the total current across all 3 phases is also displayed by default. By pressing the "Arrow Down" button, you can switch to the current of the individual phases.

The 4-quadrant diagram shows the relationship between positive and negative active and reactive power. When the active power is negative, the displayed current is also negative. The diagram also lists the energy directions (P>>, Q>>, etc.) that are shown on the display.
Quadrant I
- Active power is positive, the active energy consumption register increases.
- Reactive power is positive, the reactive energy consumption register increases.
Quadrant II
- Active power is negative, the active energy delivery register increases.
- Reactive power is positive, the reactive energy consumption register increases.
Quadrant III
- Active power is negative, the active energy delivery register increases.
- Reactive power is negative, the reactive energy delivery register increases.
Quadrant IV
- Active power is positive, the active energy consumption register increases.
- Reactive power is negative, the reactive energy delivery register increases.

Volatage, power factor and frequency
These menu pages display the current values for voltage, power factor, and frequency. The values are updated at 1-second intervals.
If the "Min/Max values" setting is activated, you can view the maximum and minimum values of the respective instantaneous values by briefly (<1s) pressing the "Down Arrow" button. The timestamp of the maximum/minimum value is also visible.

Load Profile and Logbook
By briefly (<1s) pressing the "Down Arrow" button, you can switch through the stored load profiles and logbook entries. The directories always start with the most recent entry.
By pressing the "Down Arrow" button for a longer period (>2s), you can switch between consumption and delivery in the load profiles. In the logbook, this allows you to switch between the changes and the meter readings at the time of the change.

Configuration settings
Sprache | Language
Language Switch between the languages "German" (default) and "English".
- "Right Arrow" until you reach Settings ("Settings" in English)
- "Down Arrow" until you reach Language ("Language" in English)
- Press the "Service Button" briefly (<2 seconds)
- "Down Arrow" selects between "German" and "English"
- To save: Press the "Service Button" for >2 seconds until the LCD screen blinks.
Tariff Switching
A change in tariff is applied immediately, meaning the tariff applied to terminals 9–11 at that moment is valid from that point onward. The tariff signal consists of an alternating voltage of 230VAC applied between NE (terminal 11) and E2 (terminal 9) / E1 (terminal 10). The tariffs are applied according to the following truth table, where "0" represents 0VAC and "1" represents 230VAC relative to NE (terminal 11).

By default, Tariff 1 is always set.
The tariff inputs are galvanically isolated internally through optocouplers.

Setting the number of tariffs
In the settings, you can define the number of tariffs. Choose between dual-tariff (2) and quadruple-tariff (4).
- Press "Right Arrow" until Settings
- Press "Down Arrow" until Number of Tariffs
- Press "Service Button" briefly (<2 seconds)
- Use the "Down Arrow" to select between 2 and 4 tariffs
- Save: Press the "Service Button" for >2 seconds until the LCD screen blinks
❗ Note:
- All images in this documentation only show 2 tariffs. The display works the same for 4 tariffs.
- The LP variant of the Hyperion energy meter is permanently set to a 2-tariff mode. This cannot be changed.
Real-time clock
The real-time clock of the Hyperion energy meter can be configured either directly on the meter or via optional interfaces. The interfaces (TCP/IP, M-Bus, Modbus, LoRa) also allow you to connect the meter to a time server, enabling automatic synchronization. The Hyperion has an internal clock with a daily deviation of ± 0.4 seconds. The LP version of the Hyperion energy meter displays special messages related to the real-time clock. For more specific information on the LP version, please consult the PTB-A 50.7-specific chapter at the end of this user manual.
Configuration on the device
The real-time clock can be directly set on the Hyperion. The internal clock is backed up for at least 18 days without power, after which the time must be reset.
❗ Note: The meter must have been in operation for at least 2 hours for the energy storage to fully charge.
- "Right Arrow" until Settings
- "Down Arrow" until Real-time clock
- Press "Service Button" briefly (<2 seconds)
- "Right Arrow" selects the digit
- "Down Arrow" increments the digit
- Save: Press "Service Button" for >2 seconds until the LCD screen blinks
Automatic time synchronization
Time synchronization is performed via M-Bus using a defined command over the meter's chosen interface. Time and date information are sent to the meter, and synchronization occurs immediately, confirmed by an "ACK" message. Meters with TCP/IP and LoRa interfaces can automatically synchronize if a time server is specified. The meter sends a request to the time server every 1-2 minutes until the initial synchronization occurs. Afterward, the meter only requests synchronization once an hour.
❗ Note: For projects requiring mandatory PTB-A 50.7 certification: You are allowed only 2048 entries for time changes (or changes to the transformer ratio, S0 pulse value, or S0 pulse length) before the meter becomes invalid for legal metrology purposes. Time synchronization can only be performed once per load profile interval.
Load profile interval
In the settings, you can set the load profile interval. Choose between an interval of 1 min, 5 min, 15 min (default), 30 min, 1h, 6h, 12h, or 24h.
- Press "Right Arrow" until Settings
- Press "Down Arrow" until Load profile interval
- Press the "Service Button" briefly (<2 seconds)
- Use the "Down Arrow" to select the interval times
- Save: Press the "Service Button" for >2 seconds until the LCD screen blinks
❗ Note:
- This setting is only available for meters with an activated load profile. TCP/IP and LoRa meters are delivered with an active load profile by default.
- The LP version of the Hyperion energy meter has a fixed load profile interval of 15 minutes. This cannot be changed.
Setting the Transformer Ratios
The transformer ratio can be directly set on the Hyperion energy meter using the control buttons.
- Press “Right Arrow” until Settings
- Press “Down Arrow” until CT/VT Ratio
- Press the “Service Button” briefly (<2 seconds)
- Use the “Right Arrow” to select digits
- Use the “Down Arrow” to increment the digit
- Save: Press the “Service Button” for >2 seconds until the LCD screen blinks
The current transformer ratio (CT Ratio) can be adjusted from 5A:5A to 20,000A:5A in 5A steps, and 1A:1A to 4,000A:1A in 1A steps. The voltage transformer ratio (VT Ratio) can be set from 100V:100V to 36,000V:100V in 100V steps. It is mandatory to specify both the primary and secondary currents of the current transformer. A set ratio of 100:1 means that a primary current of 100A produces a secondary current of 1A
❗ Note:
- Ensure that the transformer ratio is properly matched to your transformer and is defined according to the application. Incorrect settings and/or incorrectly sized transformers will distort the energy measurement.
- For projects with mandatory load profile certification PTB-A 50.7: You have only 2048 entries for a transformer factor change (or time change, S0 pulse value change, or S0 pulse length change) before the meter falls into a legally invalid state. Transformer ratios can only be changed once per load profile interval.
S0 Pulse Value
In the settings, the pulse value can be set.
- Press “Right Arrow” until Settings
- Press “Down Arrow” until S0 Pulse Value
- Press the “Service Button” briefly (<2 seconds)
- Use the “Down Arrow” to choose between 1, 10, 100, 1000, and 10000 Imp / kWh
- Save: Press the “Service Button” for >2 seconds until the LCD screen blinks
❗ Note: For projects with mandatory load profile certification PTB-A 50.7: You have only 2048 entries for a pulse value change (or time change, transformer factor change, or S0 pulse length change) before the meter falls into a legally invalid state. S0 pulse value changes can only be made once per load profile interval.
Energy Display Settings
You can configure what is displayed on the screen. You can choose between the following settings:
Energy per Tariff:
- On: The Hyperion displays the imported/exported energy for each tariff on the main menu pages “Active Energy Import”, “Active Energy Export”, “Reactive Energy Import”, and “Reactive Energy Export.”
- Off: Only the total for all tariffs and the selected “Energy per Phase” setting is shown on the named main menu pages.
Energy per Phase:
- On: The Hyperion shows the imported/exported energy for each phase on the main menu pages “Active Energy Import”, “Active Energy Export”, “Reactive Energy Import”, and “Reactive Energy Export.”
- Off: Only the total for all tariffs and the selected “Energy per Tariff” setting is shown on the named main menu pages.
Overview Depending on the settings for displaying energy imports/exports, the submenu for energy displays is structured as follows.

The following legend applies:
- Green: Only the “Energy per Phase” option is enabled.
- Orange: Only the “Energy per Tariff” option is enabled.
- Red: Both options are enabled.
Configuration Interfaces
The Hyperion can be equipped with various interfaces, but only one interface is possible per meter.
Interfaces
The Hyperion optionally offers one of the following interfaces:
- LoRaWAN®
- mioty
❗ Note: A Hyperion energy meter has only one of these interfaces. The Hyperion can be configured directly on the meter using the touch-sensitive buttons.
M-Bus
The M-Bus interface is built according to the EN 13757-2, -3 (formerly EN1434-3) standard. The Hyperion M-Bus can therefore communicate with all M-Bus-compatible devices. The M-Bus interface is integrated into the energy meter and protected from contamination and tampering. The interface is located at the back of the meter on Pin 1[3] (+) and Pin 2[4] (-).
Factory Settings

Wiring diagrams M-Bus
The Hyperion energy meter M-Bus is equipped with two internally connected M-Bus terminals. This allows for easier serial connection during installation.
❗ Note: The M-Bus interface is the same for the Hyperion 3/100 M-Bus and the Hyperion 3/5 M-Bus.

Additional configurations, communication, and error handeling
Configuration:
Configuration of the Primary Address on the Device
- Press "Right Arrow" until Settings
- Press "Down Arrow" until M-Bus Pri. Address
- Press the Service Button briefly (<2 seconds)
- Press "Right Arrow" to select the digit
- Press "Down Arrow" to increment the digit
- Save: Press the Service Button for >2 seconds until the LCD screen blinks
Configuration of the Secondary Address on the Device
- Press "Right Arrow" until Settings
- Press "Down Arrow" until M-Bus Sec. Address
- Press the Service Button briefly (<2 seconds)
- Press "Right Arrow" to select the digit
- Press "Down Arrow" to increment the digit
- Save: Press the Service Button for >2 seconds until the LCD screen blinks
Configurtation of Baud Rate on the Device
- Press "Right Arrow" until Settings
- Press "Down Arrow" until M-Bus Baud Rate
- Press the Service Button briefly (<2 seconds)
- Press "Right Arrow" to choose between 300, 600, 1’200, 2’400 (default), 4’800, and 9’600 Baud.
- Save: Press the Service Button for >2 seconds until the LCD screen blinks
Configuration via MB-Conect
The Hyperion M-Bus can also be configured using our proprietary software MB-Connect.
S0 Pulse Output
The S0 pulse output complies with the EN 62053-31 (DIN 83864) standard. Every Hyperion has an S0 pulse output, allowing communication with devices that can receive and process such pulses. The interface is located at the back of the meter on Pin 6 and Pin 7. The switch is a high-performance Opto Power MOSFET rated at 5–60VAC or VDC. The S0 pulse output is potential-free.
❗ Note: Ensure proper polarity.
Factory Settings

Wiring Diagram for S0 Pulse Output

❗ Note: The S0 interface is the same for the Hyperion 3/100 and the Hyperion 3/5.
Configuration of Readout Type
- Press "Right Arrow" until "Settings"
- Press "Down Arrow" until "S0 Pulse Type"
- Press "Service Button" briefly (< 2 seconds)
- Press "Right Arrow" to choose between:
- Active Energy Diff: All active energy, whether import or export, will be output without distinction.
- Reactive Energy Diff: All reactive energy, whether import or export, will be output without distinction.
- Active Energy Import: Only imported active energy is output via S0. All other energies are ignored.
- Reactive Energy Import: Only imported reactive energy is output via S0. All other energies are ignored.
- Active Energy Export: Only exported active energy is output via S0. All other energies are ignored.
- Reactive Energy Export: Only exported reactive energy is output via S0. All other energies are ignored.
- Save: Press "Service Button" for > 2 seconds until the LCD screen blinks.
Configuration of S0 Pulse Rate
In the settings, the pulse rate can be defined.
- Press "Right Arrow" until "Settings"
- Press "Down Arrow" until "S0 Pulse Value"
- Press "Service Button" briefly (< 2 seconds
- Press "Down Arrow" to select between 1, 10, 100, 1000, and 10000 impulses/kWh
- Save: Press "Service Button" for > 2 seconds until the LCD screen blinks.
Configuration of S0 Pulse Width
In the settings, the pulse width can be defined. Choose between 2ms, 10ms, 30ms, 40ms, and 120ms.
- Press "Right Arrow" until "Settings"
- Press "Down Arrow" until "S0 Pulse Width"
- Press "Service Button" briefly (< 2 seconds)
- Press "Down Arrow" to select between 2ms, 10ms, 30ms, 40ms, and 120ms
- Save: Press "Service Button" for > 2 seconds until the LCD screen blinks.
Wiring Diagram for Modbus

❗ Note: The Modbus interface is the same for the Hyperion 3/100 Modbus and the Hyperion 3/5 Modbus.
Lora
The Hyperion supports communication via LoRa.
Factory Settings
By default, the Hyperion LoRa transmits the following values every 15 minutes:
- Timestamp
- Active Energy Import for Tariff 1 & 2
- Active Energy Export for Tariff 1 & 2
- Error Code
Error case: If you encounter an error with the Hyperion, refer to the following list of the most common issues.
Inconsistencies in the Energy Measurement of the Hyperion Energy Meter
Situation: One or more phase currents show a negative sign.
Solution: Check whether the connections "S1↑" and "S2↓" ("Lx↑" and "Lx↓" for the direct meter) are correctly connected for the respective phases. "S1↑" ("Lx↑") must always be connected to the network side, and "S2↓" ("Lx↓") to the consumer/producer side.
⚠️ DANGER: During the inspection and possible adjustment of the phase connections, all conductors to which the meter is connected must be de-energized. Touching live parts is life-threatening!
Situation: The meter measures too much/too little energy
Solution 1: Check the set current transformer ratio and the voltage transformer ratio. These ratios must match the installed current/voltage transformers.
Solution 2: Check the correct connection of the meter. A phase that carries a negative current will count the energy in the export register.
❗ Note: Keep in mind that when the meter is used as a summary meter, the total energy may deviate from the sum of the following energy meters. The sum energy includes the multiple errors of the individual meters.
Incorrect consumption display on the transformer meter
Situation: The Hyperion shows a consumption that is higher/lower by a factor
Solution 1: Ensure that the current transformer ratio on the Hyperion matches your chosen current transformer. The current transformer ratio can be configured on the Hyperion via the arrow keys.
5 / 5 to 20,000 / 5 A, in 5 A increments.
1 / 1 to 4,000 / 1 A, in 1 A increments.
Solution 2: Check if the short-circuit bridge has been correctly removed in the secondary measurement circuit.
Behavior for consumption and delivery
The Hyperion records the energy in negative (delivery) and positive (consumption) directions in separate registers. The consumption and delivery registers are not reduced.
The "Active Energy Consumption" register refers to the energy delivered or consumed by the utility. The customer will receive an energy bill from the utility for this.
The "Active Energy Delivery" register refers to the energy fed back into the grid (e.g., photovoltaic system).
Practical example:
How the two registers behave on the Hyperion:
Current consumption of a residential complex at 13:00
Phase L1: 10 kW
Phase L2: 20 kW
Phase L3: 30 kW
Total ==> 60 kW
Power generated by the PV system in the residential complex at 13:00
Phase L1: 25 kW
Phase L2: 25 kW
Phase L3: 25 kW
Total ==> 75kW
In this case, 15 kW is currently being fed back into the grid, and the "Active Energy Consumption" register for L1 and L2 remains at a standstill and does not increase. The "Active Energy Delivery" register is currently counting up for L1 and L2, as energy is being fed back into the grid. For L3, energy is still being consumed, so "Active Energy Delivery" remains at a standstill, and "Active Energy Consumption" is counting up.
The Hyperion delivers incorrect values via the pulse output
Check whether the pulse rate and pulse duration of the Hyperion energy meter match your pulse receiver. The pulse rate and pulse duration can be configured on the Hyperion via the buttons.
Possible pulse rates/duration:
Pulse rates: 1, 10, 100, 1000, and 10,000 pulses per kWh/kvarh.
Pulse durations: 2 ms, 10 ms, 30 ms, 40 ms, and 120 ms.
Factory default settings are as follows

The tariff switching is not working.
By default, tariff 1 is active. Check whether you have connected the tariff switching correctly.

❗ Note: For the load profile according to PTB-A 50.7, only the dual tariff is available. Tariff changes will be applied at the next logging interval.
⚠️ DANGER: When modifying the tariff connections, all conductors connected to the meter must be de-energized. Touching energized parts is life-threatening!
The LoRa communication interface is not working:
- Ensure that the meter is registered on your LoRa network server.
- Make sure the LoRa reading interval matches the available bandwidth. Many LoRa devices in the same network may interfere with each other’s communication.
- Ensure that the meter can synchronize time via LoRa.
Extended information for load profile according to PTB-A 50.7
Accuracy of measurement information: Obligations for the user under § 23 of the Measurement and Calibration Ordinance
The Measurement and Calibration Ordinance obliges those who are users of a measuring device in the sense of metrological law to ensure that measurements are performed correctly and that measuring devices are handled in a way that ensures measurement accuracy. Users of measuring devices under the metrological law, taking into account the rules of market roles according to the Metering Point Operation Act, include:
- Measuring Device Users:
- Measuring device users are the metering point operators as defined by the Metering Point Operation Act.
- Measurement Value Users:
- Measurement value users are those who, according to the Metering Point Operation Act, carry out measurements and forward measurement values to authorized third parties, as well as those who handle billing for network usage and energy delivery.
It is the responsibility of the measuring device users to provide the measurement value users with the opportunity to become aware of the obligations outlined below.
Transparency of Usage
The measurement value user must make the calculation of the billed energy and, if applicable, power values transparent for the electricity customers where the devices are used. 'Making transparent' means providing the electricity customers with the information necessary to understand how the billing items on their electricity bill are calculated, using the legally compliant displays of the devices used at their premises. In particular, it is important to inform them about:
- Which values displayed by the devices can be used for billing purposes.
- That values not displayed cannot be used for billing purposes, and that values displayed as results of functions not relevant to legal metrology are purely informative and cannot be used for billing purposes either.
Furthermore, the devices must be used in such a way that the readability of billing-relevant measurement results and error messages is ensured for the electricity customers.
Tariffing
For legally compliant use of the meter reading data, only the tariffs T1 and T2 can be used. In this context, § 33 of the MessEG (Measurement and Calibration Act) must be observed:
In this regard, the measurement value user must ensure that bills, as far as they are based on measured values, can be easily verified by the person for whom the bills are intended. For this purpose, appropriate tools must be provided if necessary. It must always be ensured that all registers used for billing are also displayed on the screen.
Error messages/ time adjustments
Error Messages:
The accompanying documents describe the functional errors that the meters mentioned here can self-diagnose and display. If one or more of the events labeled as "Legally Relevant Error Messages" occur, the legally compliant use is no longer guaranteed, and the stored measurement results are considered dubious. The devices must be removed, repaired if necessary, and recalibrated if they are to continue being used for billing purposes.
Time Adjustments:
For meters with remotely adjustable internal clocks, technical measures must ensure that it can be verified, via legally compliant displays, whether time adjustments that affect the accuracy of measurement and billing have occurred during a billing period. This is achieved in the following way for the meters mentioned here:
- A command to adjust the meter's clock via any of the available interfaces always leads to an entry in the legal-technical logbook. The current recording period after the clock adjustment is marked as invalid.
- The newly started recording period after the time adjustment ends at the next integer multiple of the recording period length (at xx:15, xx:30, xx:45, or xx:00) based on the newly set meter time.
Use of Communication Interfaces:
The communication interfaces of the meters are not legally compliant. Measurement values read via these interfaces can only be used for billing purposes to the extent that they represent an unchanged repeat of the measurement results displayed on the meter's display, as stipulated in Appendix 2, Section 8.1 of the Measurement and Calibration Ordinance.
Time Synchronization
The meters mentioned here synchronize via the available communication interface. For legally compliant use of meter readings, the user must ensure that the meter's clock is synchronized with the legal time. For the meters mentioned here, the following conditions must be met before the data telegram with date and time is sent:
- The M-Bus must be available for communication.
- The Ethernet connection must be available for communication.
- The legal time must be used as the time source. If these conditions cannot be met, the meter readings cannot be used for billing purposes.
If the requirements cannot be met, the meter readings may not be used for billing purposes.
Measurement results that cannot be used for billing purposes
Measurement values other than those specified in the type approval certificate cannot be used for billing purposes.
Logbook Function
The meters mentioned here always have a technical logbook that can only be deleted by breaching manufacturer-provided access security.
Hyperion
The following section describes the menu items of the Hyperion energy meter relevant for load profile operation. The load profile of the Hyperion energy meter is certified for PTB-A 50.7. The following information applies to the tariff switching, time synchronization, transformer settings, and S0 pulse output for the LP version of the Hyperion energy meter.
Current or Voltage Transformer Ratio
These ratios determine the applied factor when measuring energy and must correspond to the used current or voltage transformers. Changing the current and voltage transformer ratios is only possible via the SRVC button. The SRVC button can be secured with a seal to prevent unauthorized access.
Real-Time Clock
The real-time clock displays the current device time. If the meter is not automatically synchronized, we recommend setting the UTC time, as local daylight saving time is not supported. Changing the real-time clock is possible via the SRVC button. The SRVC button can be secured with a seal to prevent unauthorized access.
S0 Pulse Output
The pulse output can be switched between the following settings:
- Active Energy Diff: All active energy, whether consumption or delivery, is output without distinction.
- Reactive Energy Diff: All reactive energy, whether consumption or delivery, is output without distinction.
- Active Energy Import: Only consumed active energy is output via S0. All other energies are ignored.
- Reactive Energy Import: Only consumed reactive energy is output via S0. All other energies are ignored.
- Active Energy Export: Only delivered active energy is output via S0. All other energies are ignored.
- Reactive Energy Export: Only delivered reactive energy is output via S0. All other energies are ignored.
The interface outputs an electrical pulse for each set energy consumption. Based on these pulses, the amount of energy can be calculated. The interface can be configured as follows:
- Pulse Rate: Set how many pulses per energy unit should be output.
- Pulse Length: Set how long the pulse should be.
Changing the S0 pulse output settings is only possible via the SRVC button. The SRVC button can be sealed to prevent unauthorized access.
Use for billing purposes
In the LP version of the Hyperion energy meter, only active energy measurements are approved for billing purposes. These measurements can be accessed at any time via the display or the meter’s interface.
All other displayed measurements on the display are for informational purposes only and cannot be used for billing purposes. Any measurements that are not displayed and can be read via an interface are also purely informational and cannot be used for billing purposes.
Description
The load profile functionality according to PTB-A 50.7 consists of two sub-functionalities:
- The actual load profile memory for recording the measured values. This is designed as a "circular buffer," meaning after reaching the maximum number of entries, the oldest 27 entries are overwritten. Overwriting occurs in groups of 27 entries due to technical conditions.
- The logbook memory (technical logbook) for recording changes to parameters that influence the load profile. This logbook cannot be altered without destroying the sealing labels. The recorded changes include:
- Change of time/date
- Change of voltage or current transformer factor
- Change of S0 impulse value, S0 impulse duration
Each of the above parameters can only be changed once per recording period. A new change is only possible after the start of the next interval. A maximum of 2048 logbook entries are available. These cannot be deleted or overwritten. If the logbook capacity is exhausted, the meter will enter an invalid metrological state after another change to any of the above parameters.
This will be indicated by the "PTB NV" icon on the display. Additionally, all subsequent load profile entries will have the "NG" (invalid) status.
❗ Note: The "PTB-NV" status cannot be reversed for legal reasons.
Recording Interval
The recording interval of the load profile in the LP versions of the Hyperion energy meter is set to 15 minutes and cannot be changed.
Time Synchronization
Time synchronization is performed via a defined command over the M-Bus / TCP-IP interface of the meter, by setting a legally recognized time server with the official time, or by using the buttons on the meter. Time and date information are sent to the meter, and synchronization takes place immediately. If done over the M-Bus interface, the meter confirms it with an "ACK" message. The time can only be synchronized or set once per recording period (15 minutes). The official time must be set. Time adjustments are distinguished as follows:
- Time Synchronization: Any time setting that deviates by less than 9 seconds from the previously valid time is considered a regular time synchronization. In this case, the meter does not create a logbook entry.
- Time Setting: If the real-time clock is set for the first time or the deviation is more than 9 seconds from the previous time, a logbook entry is created, and the current load profile is marked as "NG" (invalid).
The internal buffer (reserve) for maintaining the system time during a power outage lasts for at least 18 days (the meter must have been in operation for at least 2 hours for this).
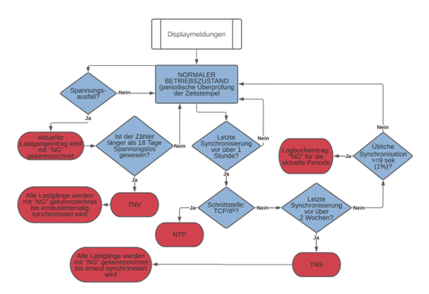
❗ Note: The Hyperion LP has internal time stamps that are reset with each new synchronization of the real-time clock. If the meter is turned on after more than 2 weeks without power and the internal buffer is not yet exhausted, the meter will still detect the missing bi-weekly synchronization and mark all subsequent load profile entries as invalid ("NG") The messages TNV, TNS, or NTP can appear on the display. The following chart shows when these messages appear and what they mean for the validity of the measurement data.

❗ Note:
- According to the PTB-A 50.7 certification, the time on meters with an interface must be synchronized at least once every 2 weeks. If the meter is not synchronized within 2 weeks, all load profile entries after the expiration of the 2 weeks will be marked with "NG" until the next synchronization occurs. Additionally, the message "TNS" will appear on the display.
- By default, the internal Hyperion LP real-time clock buffer is always uncharged and should therefore be considered as "without power for more than 18 days" (TNV).
Tariff Switching
A change in the tariff for the LP version (PTB 50.7 certified) of the Hyperion energy meter will only take effect at the start of a new recording period, meaning the tariff set at terminals 9 – 11 at that time will be applied from that moment until at least the beginning of the next recording period. Only the dual-tariff is available for the LP version.
The tariff is controlled via the 3 tariff inputs (connections 9–11) located at the back of the meter.
❗ Note:
- After a power failure, it is possible that the incorrect tariff will be displayed during the first recording interval. This first record will be marked as "NG" in any case, and the correct tariff setting will be taken over from the tariff inputs NE, E1, E2 in the next regular interval.
- For the load profile according to PTB-A 50.7, only the dual-tariff is available. Tariff changes will only take effect at the next recording interval.
External Interface Reading
The reading via the external interface can be used for billing purposes. The interfaces transmit the same information that is displayed on the meter's display.
Memory Capacity
The device's memory can hold:
- Continuous entries for the load profile: 105,378
This corresponds to a period of approximately 3 years at a 15-minute interval. Once the last entry is made, the meter deletes the first 26 entries and starts again at the beginning of the memory register. After these 26 entries are written, the next 26 entries are deleted, and so on. Thus, only the most recent 105,352 entries are available, and older entries are lost.
- Logbook entries: 2,048
Each change in the transformer ratio, real-time clock, or S0 pulse value/pulse length results in an entry. Once all entries are used, the Hyperion enters a legally invalid state (as required by PTB-A 50.7) after any further change of the above factors and must be replaced.
Power outage and restart
Power Outage
All load profile values are stored in a fixed 15-minute pattern (i.e., XX:00, XX:15, XX:30, and XX:45). After a power outage, recording continues accordingly.
Example:
- Current time 07:37 => the last entry was made at 07:30
- Power outage until 08:12
- The next entry occurs at 08:15 (this entry is automatically marked as "NG")
- Entries for 07:45 and 08:00 are missing
After every power outage, the first load profile entry is marked as "NG." If the internal clock buffer has preserved the time (reserve not depleted), all subsequent load profile entries are not marked with "NG."
Restart
In rare cases, an internal restart of the meter may occur. In such an event, the corresponding load profile entry will be marked as "NG."
Display Load Profile

The load profile display shows the last entry when called. If all 105,378 entries of the load profile are ever used, the Hyperion automatically deletes the oldest 26 entries. However, the numbering of the next saved load profile entry does not reset to 0 but continues sequentially.
Example: Your Hyperion has already stored 200,000 load profiles. When you scroll through the load profile entries, you first see load profile 200,000. However, if you go back 105,378 entries, you will return to load profile 200,000. The data of load profiles 1–94,622 has been deleted in the meantime.
The following information is displayed:
000003: Index of the displayed entry. The entries start with index 1 and can be scrolled through chronologically by pressing the "Down Arrow" button (in descending order).
05.01.2021 10:45:00: Timestamp of the entry. Current date/time according to the device's time settings.
NG: Validity flag. A load profile entry is marked as invalid “NG” in the following situations:
When manipulations of the described device parameters are made, the corresponding recording interval is marked as invalid "NG."
The first load profile entry after the meter restarts is always invalid due to the assumption of a power failure (Powerfails).
Entries are marked as "NG" if no new time synchronization occurs within two weeks of the last time synchronization.
Valid entries have no markings.
T1 / T2 00000000.0 kWh: Energy register reading per tariff. The status of the active energy register at the time of entry creation.
❗ Note: Only the dual tariff is available for the load profile according to PTB-A 50.7. Tariff changes are only adopted at the next recording interval.
Imp / Exp: Switch between import and export register display. A long press (>2s) on the "Down Arrow" button toggles between the display of import (consumption) and export (delivery) registers.
Logbook Display
The logbook display always shows the last entry when called. The following information is displayed on the screen:
In the case of a time adjustment:

- 0003 / 2048: Index of the current entry. The entries start with index 1 and can be scrolled through by pressing the "Down Arrow" button (in reverse chronological order).
- 01.2021 02:41:04: Previously valid time (this also corresponds to the time of the time adjustment).
- 01.2024 02:40:56: Newly set time.
- By pressing the "Down Arrow" button briefly (<1s), you can scroll through the saved logbook entries. The directory always starts with the most recent entry.
- By pressing the "Down Arrow" button for a longer time (>2s), you can switch between the change and the meter readings at the time of the change in the logbook.
In the event of a change in a transformer factor

- 0002 / 2048: Index of the current entry. The entries start with index 1 and can be scrolled through by pressing the “down arrow” button (chronologically descending).
- 01.2021 02:40:36: Time of the change.
- VT 100:100 → 1100:100: Previous (left) and newly set (right) factor.
- By briefly pressing the “down arrow” button (<1s), the stored logbook entries can be scrolled through. The list always starts with the most recent entry.
- By holding the “down arrow” button for a longer time (>2s), you can toggle between the changes and the meter readings at the time of the change.
In case of a change in the pulse duration

- 0004 / 2048: Index of the current entry. The entries start at index 1 and can be scrolled through by pressing the "Arrow Down" button (chronologically descending).
- 01.2024 02:41:40: Timestamp of the change.
- S0 I-Dur. 120 -> 30: Previous (left) and newly set (right) factor in ms.
- A short press (<1s) of the "Arrow Down" button allows you to scroll through the stored log entries. The list always starts with the most recent entry.
- A long press (>2s) of the "Arrow Down" button switches between the change and the meter readings at the time of the change in the logbook.
In case of a change in the pulse value

- 0001 / 2048: Index of the current entry. The entries start with index 1 and can be scrolled through (in reverse chronological order) by pressing the "Down Arrow" button.
- 01.2021 01:56:50: Time of the change.
- S0 I-Rat. 10 → 10000: Previous (left) and newly set (right) value in Imp / kWh.
- A short (<1s) press of the "Down Arrow" button allows you to scroll through the stored log entries. The directory always starts with the latest entry.
- A longer (>2s) press of the "Down Arrow" button switches between the log entry and the meter readings at the time of the change.
Specifications subject to change without notice. All information provided without guarantee.

![]()
![]()
![]()
![]()
![]()